YE3系列(中心高H80-355mm、0.55-375kw)電動機是全封閉、自扇風冷式鼠籠型三相異步電動機,產品能效與EC60034-30的IE3保持一致。一般電壓為380V、頻率為50Hz也可按客戶要求定制。工作環境-15-40°C,海拔不超過1000M,絕緣等級F(B極考核)防護等級IP55、冷卻方式IC411、工作制S1、安裝方式符合IEC和DIN標準。
YE3系列電動機為一般用途的電動機,適用于驅動無特殊要求的各種機械設備。YE3系列電動機滿足GB18613-2020能效限值3級,產品通過了中國質量認證中心(COC)的節能產品認證。
產品型號示例

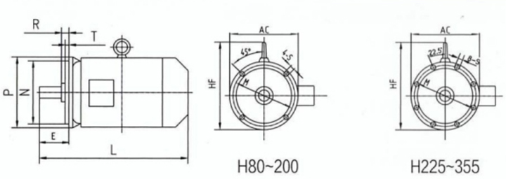
YE3系列三相異步電動機安裝及外形尺寸圖

IMB3

IMB5

IMB35

技術數據

